Flame Detector
Single Channel
To-39 Housing
Current Mode
Single Channel
To-39 Housing
Current Mode
技术指标 Technical Specifications | 符号 Symbol | 典型值 Typical value | 单位 Unit |
窗口尺寸 Window Size | - | Ф5.5 | mm |
敏感区域尺寸 Element Size | As | Ф2.5 | mm |
热时间常数 Thermal Time Constant | τT | 50 | ms |
工作电压 Drain Voltage | Vd | 5-26 | V |
推荐工作电压Recommended Supply Voltage | Vr | 9 | V |
视场角 Field of View | FOV | >110 | ° |
噪声密度Noise Density {10Hz,BW 1Hz,25℃} | Vn | <70 | μVrms/Hz1/2 |
电压响应率(无窗口)Voltage Responsivity(Without Filter) {500K,10Hz,25℃} | Rv | >200,000 | V/W |
比探测率(无窗口)Detectivity(Without Filter) {500K,10Hz,BW 1Hz,25℃} | D | >4.4E+08 | cmHz1/2/W |
工作温度范围 Operating Temperature | - | -40—+80 | ℃ |
运算放大器 CMOS OpAmp | - | 400 X | - |
封装尺寸 Package dimensions in mm

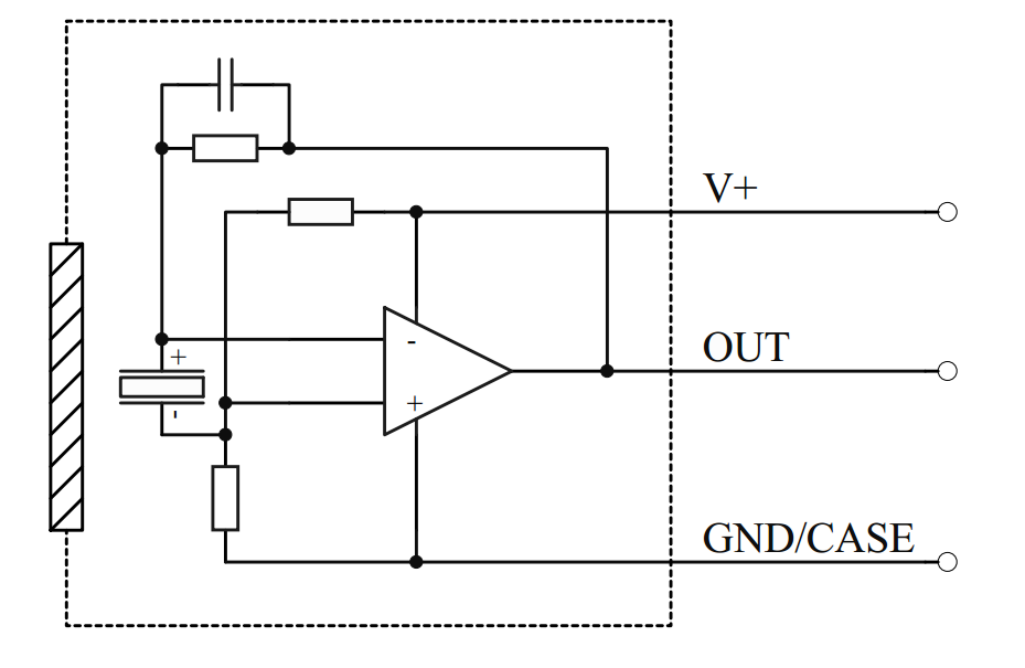
工作原理 Working principle

典型滤光片参数,其他参数可根据客户具体要求定制
Typical
Filters parameters are shown in the figure below, other parameters can
be customized according to customer specific requirements.
中心波长CWL | 4400nm | 3800nm | 5300nm |
半高宽HPB | 450nm | 140nm | 180nm |
探测器型号 Detector type | LCF001-I-01 | LCF001-H-01 | LCF001-D-01 |
Access detailed technical information, configuration guides, and solutions notes to support your evaluation and implementation of the SB-2023 Series.
Complete technical specifications, performance curves, dimensional drawings, and ordering information.
DownloadComplete technical specifications, performance curves, dimensional drawings, and ordering information.
DownloadComplete technical specifications, performance curves, dimensional drawings, and ordering information.
DownloadContact our sales team for samples, technical support, and competitive pricing. We offer custom solutions for your specific solutions requirements.
Sample solutions