PROD Model:LBCETC1-100
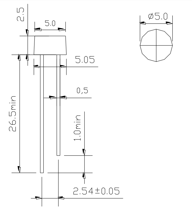
Appearance:φ5
Product Feature:low power consumption, high reliability and consistency
Photocurrent: VDD=5V, EV=10Lux 80-120uA
Photowavelength Peak:520nm
Photowavelength range:450-700nm
Power Consumption : 70mW
Recommend Supporting Resistor:high stable resistance
1. Replace traditional photoresistors (CDS), free of cadmium, lead and other harmful substances,complies with EU ROHS standards.
2. Automatically adjust the backlight , such as :LCD,mobile phone,camera,computer camera etc.
3. Suitable for all kinds of light-controlled lighting products and toys, such as: night light, etc.
4. Suitable for all kinds of infrared monitoring products.
Peak sensitivity wavelength 850nm
Low power consumption
High reliability
Good batch consistency,completely solve the phenomenon of premature lamp start or poor consistency
Fast response speed,stable performance ,+85℃ high temperature/65% high temperature aging 1000H starting point does not drift
Avilable in different form factors upon request,it is easy to install anywhere in the product
1. Maximum rating (Ta = 25℃)
| Parameter | Symbol | Rating | Unit |
| Collector-emitter voltage | VCEO | 20 | V |
| Emitter-collector voltage | VCEO | 5 | V |
| Power consumption | PC | 70 | MW |
| Operating temperature | Topr | -25~+85 | ℃ |
| Storage temperature | Tstg | -40~+100 | ℃ |
2.Optoelectronic characteristics (Ta = 25℃) Note:The test light source adopts 2850K color temperature LED
| Parameter | symbol | Test Condition | Min | Typical | Max | Unit | |
| Light Current | IL(1) | VDD=5V,EV=10LUX | 80 | 100 | 120 | μA | |
| IL(2) | VDD=5V,EV=50LUX | ~ | 300 | ~ | μA | ||
| IL(3) | VDD=5V,EV=100LUX | ~ | 500 | ~ | μA | ||
| Dark Current | ICEO | VDD=5V,EV=0LUX | ~ | ~ | 0.2 | μA | |
| Photowavelength Peak | λp | 850 | |||||
| Photowavelength Range | λp | 450 | ~ | 700 | |||
| Collector-emitter Voltage | Bvceo | IC=100UA Ee=0mw/cm2 | ~ | 70 | |||
| Emitter-collector Voltage | Bvceo | IE=10UA Ee=0mw/cm2 | ~ | 30 | |||
| Collector-emitter saturation voltage | Vce(sat) | IC=2MA Ee=1mw/cm2 | ~ | 0.4 | |||
| Response Time | Opening Time | TR | VCE=5V,IC=1MA RL=10KΩ | 125 | μs | ||
| Closing Time | TR | 30 | |||||



Access detailed technical information, configuration guides, and solutions notes to support your evaluation and implementation of the SB-2023 Series.
Complete technical specifications, performance curves, dimensional drawings, and ordering information.
DownloadComplete technical specifications, performance curves, dimensional drawings, and ordering information.
DownloadComplete technical specifications, performance curves, dimensional drawings, and ordering information.
DownloadContact our sales team for samples, technical support, and competitive pricing. We offer custom solutions for your specific solutions requirements.
Sample solutions