Flame Detector
Single Channel
TO-39 Housing
Voltage Mode
Single Channel
TO-39 Housing
Voltage Mode
Datasheet
Technical Specifications | Symbol | Typical value | Unit |
Window Size | Ф5.5 | mm | |
Element Size | As | Ф2.5 | mm |
Electrical Time Constant | τE | 6.0 | s |
Thermal Time Constant | τT | 200 | ms |
Offset voltage | Vs | 0.4—0.7 | V |
Drain Voltage | Vd | 2-15 | V |
Field of View | FOV | >110 | ° |
Noise{10Hz,BW 1Hz,25℃} | Vn | <170 | nVrms/Hz1/2 |
Voltage Responsivity(Without Filter) {500K,10Hz,25℃} | Rv | >500 | V/W |
Detectivity(Without Filter) {500K,10Hz,BW 1Hz,25℃} | D | >4*108 | cmHz1/2/W |
Operating Temperature | -40—+80 | ℃ |
Typical Filters parameters are shown in the figure below, other parameters can be customized according to customer specific requirements.
CWL | 4400nm | 3800nm | 5300nm |
HPB | 450nm | 140nm | 180nm |
Detector type | LVF001-I-01 | LVF001-H-01 | LVF001-D-01 |
Package Dimensions

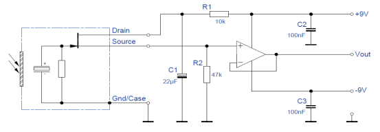
Test circuit


Access detailed technical information, configuration guides, and solutions notes to support your evaluation and implementation of the SB-2023 Series.
Complete technical specifications, performance curves, dimensional drawings, and ordering information.
DownloadComplete technical specifications, performance curves, dimensional drawings, and ordering information.
DownloadComplete technical specifications, performance curves, dimensional drawings, and ordering information.
DownloadContact our sales team for samples, technical support, and competitive pricing. We offer custom solutions for your specific solutions requirements.
Sample solutions