Flame Detector
Single Channel
To-39 Housing
Switching Output
Single Channel
To-39 Housing
Switching Output
Single Channel
To-39 Housing
Switching Output
| Technical Specifications | Symbol | Typical value | Unit |
|---|---|---|---|
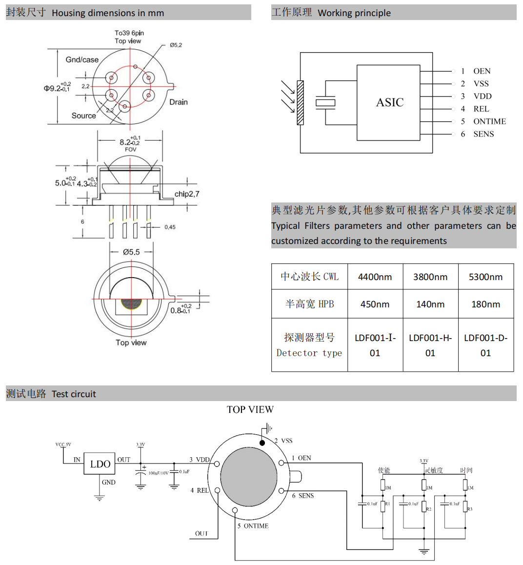
| Window Size | - | Ф5.5 | mm |
| Element Size | - | Ф2.5 | mm |
| Field of View | FOV | >110 | ° |
| Detection Distance (Alcohol fire 0.1m²) | L | >30 | m |
| Operating Temperature | T | -40—+80 | ℃ |

| No. | Pin | Function | Parameters |
|---|---|---|---|
| 1 | OEN | Output Enable | High level (>1.1V) is effective, low level (<0.9V) keeps output low |
| 2 | VSS | GND | |
| 3 | VDD | Power Supply 3.3V | Input current at low level is 9.5uA |
| 4 | REL | Output | Output high level when there is response |
| 5 | ONTIME | Delay Control | ONTIME optional voltage: 1/64 Vdd, 3/64 Vdd, …, 31/64 Vdd etc. 16 gear voltage, Delay time ranges from 1.8 seconds to 1 hour |
| 6 | SENS | Sensitivity Control | SENS optional voltage: 1/128 Vdd, 3/128 Vdd, …, 63/128 Vdd etc. 32 level voltage, The detection distance is adjustable from dozens of meters to several centimeters |
Access detailed technical information, configuration guides, and solutions notes to support your evaluation and implementation of the SB-2023 Series.
Complete technical specifications, performance curves, dimensional drawings, and ordering information.
DownloadComplete technical specifications, performance curves, dimensional drawings, and ordering information.
DownloadComplete technical specifications, performance curves, dimensional drawings, and ordering information.
DownloadContact our sales team for samples, technical support, and competitive pricing. We offer custom solutions for your specific solutions requirements.
Request Samples